房屋介紹
調整字體大小:
小
中
大
房屋資料
類 別:住宅
型 態:5年新屋
裝潢程度:尚未裝潢
帶 租 約:否
法定用途:住家用
坪數說明
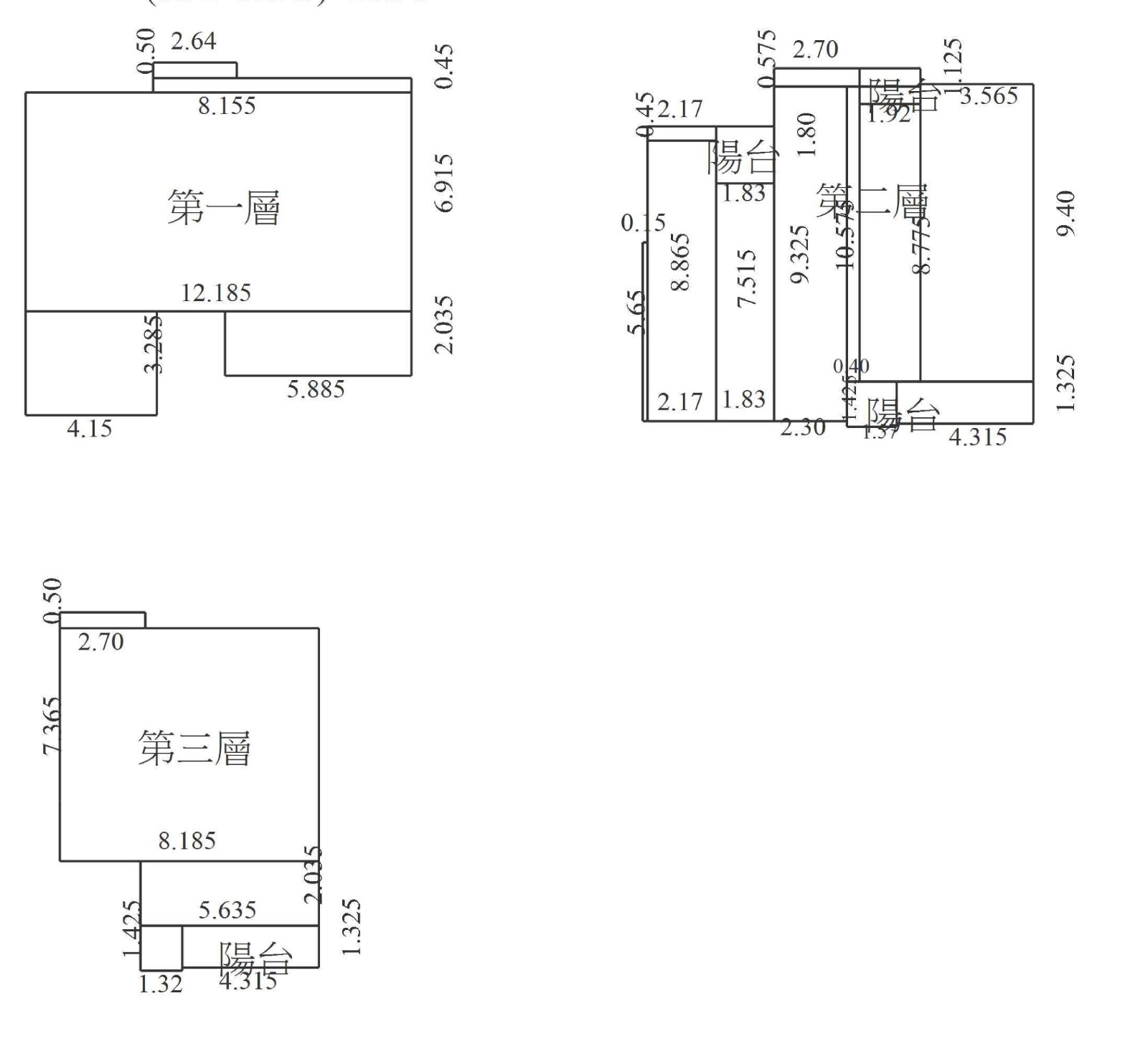
主 建 物:91.28坪
附屬建物:6.65坪
土地坪數:445.2坪
生活機能
近學校
近傳統市場
近便利商店
近公園綠地
生活周邊
路 面:4~6米路
生活機能:近學校;近傳統市場;近便利商店;近公園綠地
屋況介紹
河岸第一排,前後臨路 。
全新完工 ,有電梯。
坐南朝北,賺錢穩達達。



地圖找房
|
9) 最近更新:


















1
1
15
15
5
5
6
5
1
1